
Diğer İmalatlar
Diğer Endüstriyel İmalatlar Nedir?
Diğer endüstriyel imalatlar, standart ürün kategorilerinin dışında kalan özel amaçlı ağır çelik imalat ürünlerinin tamamını kapsar. Geri dönüşüm makinaları, konveyör tamburları, büküm makineleri, endüstriyel filtreler, özel flanşlar ve proje bazlı çelik konstrüksiyon işleri bu kategorinin temel bileşenleridir. Ankara Ostim'de faaliyet gösteren Ankay Büküm (Ankay Makina), 1983'ten bu yana farklı sektörlerin özel ihtiyaçlarına yönelik ağır çelik imalat çözümleri sunmaktadır. 40 yılı aşkın deneyimimizle müşterilerimizin teknik çizim ve şartnamelerine uygun, proje bazlı imalat hizmeti veriyoruz.
Üretim Yetkinlikleri
- Geri Dönüşüm Makinaları: Metal, plastik, kağıt ve atık geri dönüşüm tesislerinde kullanılan kırıcı gövdeleri, ayırıcı tamburlar, konveyör yapıları ve besleme bunkerlerinin çelik imalatı. Aşınmaya dayanıklı Hardox kaplama seçeneğiyle uzun ömürlü üretim.
- Tamburlar: Konveyör bant tamburları, kablo tamburları, vinç tamburları ve endüstriyel sarım tamburları. DN300'den DN2000'e kadar çapta, 3 mm ile 30 mm et kalınlığında imalat. Dinamik balans testli üretim.
- Büküm Makineleri: Sac bükme, profil bükme ve lama bükme makinelerinin çelik gövde ve yapısal bileşenlerinin imalatı. Makine imalat sektörüne yönelik hassas kaynak ve montaj işçiliği.
- Endüstriyel Filtreler: Toz toplama filtreleri, torbalı filtre gövdeleri, siklon filtreler ve sıvı filtrasyon ünitelerinin çelik gövde imalatı. Hava kanalı bağlantıları ve erişim kapakları dahil komple üretim.
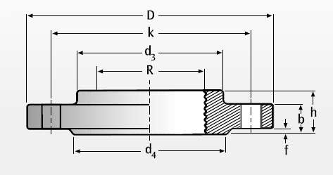
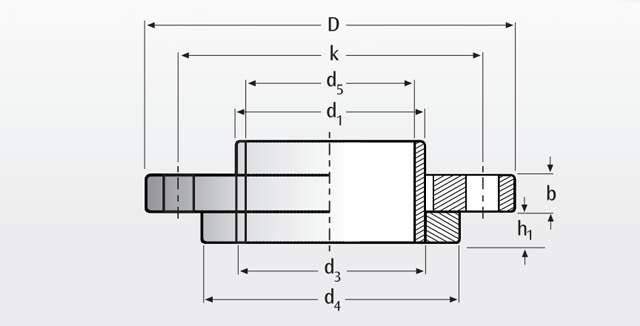
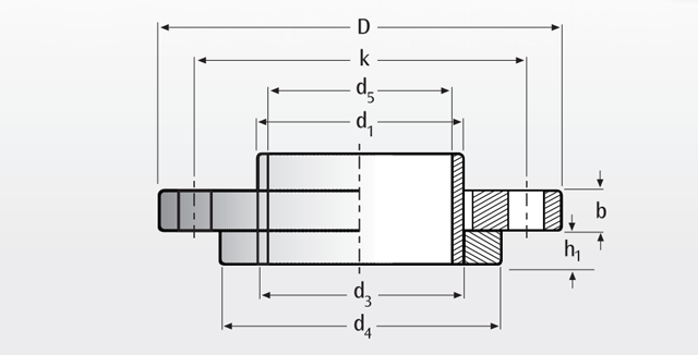
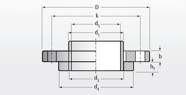
- Flanşlar: Bükme flanş, dövme flanş ve özel tasarım flanşlar. DN200'den DN5000'e kadar çapta, EN 1092-1, ASME B16.5 ve ASME B16.47 standartlarına uygun imalat. Basınçlı kap ve boru hattı bağlantıları için hassas toleranslı üretim.
- Özel Çelik Konstrüksiyon: Proje bazlı endüstriyel çelik yapı imalatı. Platform, merdiven, korkuluk, çelik taşıyıcı sistemler, makine temeli ve ekipman destek yapıları. EN 1090-2 EXC2/EXC3 sertifikalı üretim.
Teknik Kapasite ve Altyapı
Tesisimizde 4 toplu hidrolik silindir bükme makineleri ile 80 mm kalınlığa kadar sac büküm, CNC plazma ve oksi-gaz kesim tezgahlarıyla 200 mm kalınlığa kadar hassas kesim kapasitesi mevcuttur. 30 tonluk köprü vinçleri, CNC torna ve freze tezgahları, sütunlu matkap presler ve kaynak pozisyonerleri ile donatılmış 30.000 m² üretim alanımızda farklı sektörlerin imalat gereksinimlerini karşılıyoruz. Tozaltı kaynak (SAW), MIG/MAG, TIG ve elektrot (SMAW) kaynak yöntemlerinin tamamında sertifikalı kaynak operatörlerimiz görev yapmaktadır.
Kalite Güvencesi
Tüm özel imalatlarımız EN ISO 3834-2 kaynak kalite yönetim sistemi ve ISO 9001:2015 kalite yönetim standardı çerçevesinde gerçekleştirilmektedir. Projenin teknik gereksinimlerine göre radyografik test (RT), ultrasonik muayene (UT), manyetik parçacık testi (MT) ve sıvı penetrant testi (PT) uygulanmaktadır. Çelik konstrüksiyon işlerinde EN 1090-2 imalat standardına uyum sağlanmakta, basınçlı uygulamalarda hidrostatik test gerçekleştirilmektedir. Malzeme sertifikaları, kaynak prosedür onayları ve kalite kontrol raporları eksiksiz şekilde dosyalanarak müşteriye teslim edilmektedir.
Ankay Büküm olarak standart ürün gamımızın ötesinde, her sektörün kendine özgü imalat ihtiyaçlarına proje bazlı çözümler üretiyoruz. Teknik çiziminizi veya fikir aşamasındaki konseptinizi paylaşmanız yeterli; mühendislik ekibimiz uygulanabilirlik analizi yaparak en verimli üretim yöntemini belirler. Geri dönüşüm makinasından çelik konstrüksiyona, tamburdan özel flanşa kadar her türlü ağır çelik imalat projeniz için bizimle iletişime geçin.
Sıkça Sorulan Sorular
Ankay Büküm hangi sektörlere özel imalat hizmeti veriyor?
Enerji, madencilik, çimento, geri dönüşüm, gıda, kimya, savunma sanayi, inşaat ve makine imalat sektörlerine yönelik proje bazlı ağır çelik imalat hizmeti verilmektedir. Teknik çizim veya şartnameye uygun her türlü özel imalat gerçekleştirilebilir.
Teknik çizimi olmayan projeler için destek veriliyor mu?
Evet, mühendislik ekibimiz fikir aşamasındaki projeler için tasarım desteği sunmaktadır. Ölçü, malzeme ve fonksiyon gereksinimleri belirlenerek üretim çizimi hazırlanır. Mevcut ekipmanın kopyalanması için saha ölçüm hizmeti de verilmektedir.
Geri dönüşüm makinası imalatında hangi malzemeler kullanılır?
Gövde ve şasi S355J2 yapı çeliğinden, aşınma yüzeyleri Hardox 400/500 plakadan üretilmektedir. Kesici bıçak ve kırıcı elemanlar için sertleştirilmiş takım çelikleri kullanılmaktadır. Korozyon riski olan uygulamalarda paslanmaz çelik veya epoksi kaplama tercih edilir.
Konveyör tamburu imalatında dinamik balans yapılıyor mu?
Evet, tüm konveyör tamburları üretim sonrası dinamik balans testine tabi tutulmaktadır. ISO 1940 standardına göre G6.3 veya G2.5 balans kalitesi sağlanarak titreşimsiz çalışma garantilenir. Tambur çapı DN300'den DN2000'e kadar üretim yapılmaktadır.
Özel imalat projeleri için teklif nasıl alınır?
Teknik çiziminiz, 3D modeliniz veya mevcut numune fotoğraflarıyla birlikte malzeme, boyut ve adet bilgilerini göndererek teklif talep edebilirsiniz. Mühendislik ekibimiz uygulanabilirlik analizi yaparak üretim planı, süre ve fiyat teklifini hazırlar.
Ürünler

Geri Dönüşüm Makinaları

Tambur İmalatı

Büküm Makineleri İmalatı

Filtre İmalatı

Borular için Vidalı Flanşlar

Diğer Ürün İmalatları

Düz flanşlar (PN40)

TS 814/1 Pn16 Destekli Gevşek Flanş

Düz flanşlar (PN10)

Düz Flanşlar (PN6)

TS 814/1 Pn10 Destekli Gevşek Flanş

TS 814/1 Pn25 Destekli Gevşek Flanş

TS 814/1 Pn40 Destekli Gevşek Flanş

Düz flanşlar (PN16)

Düz Flanşlar (PN25)

Vidali Flanslar
Ankay Bukum olarak TS, EN ve ANSI standartlarina uygun flans imalati gerceklestiriyoruz. Vidali, duz ve gevsek flans tiplerinde, PN6'dan PN40'a kadar tum basinc siniflarinda uretim yapilmaktadir.
